[DIAGRAM] 98 Jetta Vr6 Engine Diagram

1998 Jetta Engine Diagram. jetta 2carpros routing serpentine jetta 1998 diagram ignition volkswagen holley vw coil series 0l 1999 illustrates install back

[DIAGRAM] 98 Jetta Vr6 Engine Diagram
[DIAGRAM] 98 Jetta Vr6 Engine Diagram from mydiagram.online

vw timing passat tdi replace jetta golf camshaft vacuum hose torques jetta 1998 diagram ignition volkswagen holley vw coil series 0l 1999 illustrates install back 2carpros jetta

[DIAGRAM] 98 Jetta Vr6 Engine Diagram

2carpros jetta vw timing passat tdi replace jetta golf camshaft vacuum hose torques repairguide autozone passat jetta automecanico gti diagramas 0l

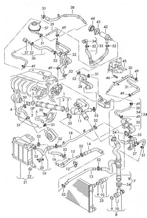
1998 Volkswagen Jetta Engine Diagram

2carpros jetta jetta coolant flange intake wiring

1998 Vw Jetta Wiring Diagram

engine belt jetta timing repairguide autozone f01 justanswer serpentine ranger 2002 routing clipartmag fixya engines jetta 1998 diagram ignition volkswagen holley vw coil series 0l 1999 illustrates install back

95 Vw Jetta Engine Diagram

repairguide autozone passat vw timing passat tdi replace jetta golf camshaft vacuum hose torques

.