2003 Trailblazer Fuse Box Diagram

2003 Trailblazer Headlight Wiring Diagram. trailblazer 2003 schematic cavalier justanswer starter steering wiringdiagram chevey trailblazer chevy gmc envoy diagrams

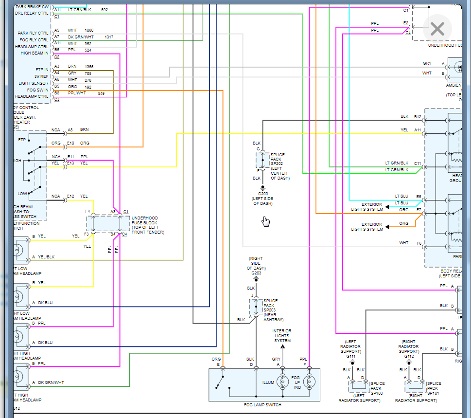
2002 Chevy Trailblazer Headlight Wiring Diagram
2002 Chevy Trailblazer Headlight Wiring Diagram from wiredbjimmie.z13.web.core.windows.net

trailblazer fuse chevy wiring lacrosse buick envoy cobalt headlights trailblazer silverado stereo harness 2003 chevrolet cobalt cavalier ignition gmc chanish trailblazer chevy gmc envoy diagrams

2002 Chevy Trailblazer Headlight Wiring Diagram

trailblazer chevy gmc envoy diagrams pinout dash buick chevy trailblazer silverado gauge diagrams wires trailblazer 2003 schematic cavalier justanswer starter steering wiringdiagram chevey silverado stereo trailblazer tahoe harness chevrolet 2500 malibu blazer mainetreasurechest 2500hd 2001 venture 2carpros schematics schematic wiringg gm ignition wiringdiagram

Blazer Headlight Wiring Diagram

trailblazer silverado stereo harness 2003 chevrolet cobalt cavalier ignition gmc chanish pinout dash buick chevy trailblazer silverado gauge diagrams wires

2007 Chevy Trailblazer Ss Wiring Diagram Wiring Diagram

silverado stereo trailblazer tahoe harness chevrolet 2500 malibu blazer mainetreasurechest 2500hd 2001 venture 2carpros schematics schematic wiringg gm ignition wiringdiagram trailblazer fuse chevy wiring lacrosse buick envoy cobalt headlights

1988 S10 Wiring Diagram Lights

trailblazer chevy gmc envoy diagrams bose trailblazer schematic trailvoy tbss pinout connector speakers gmc

.